Контакты
Новости
Каталоги
 Войти
Сортировать:
Сначала новые
Сначала старые
Цена ↑
Цена ↓
Кол-во ↑
Кол-во ↓
Имя A→Я
Имя Я→A
Серийник ↑
Серийник ↓
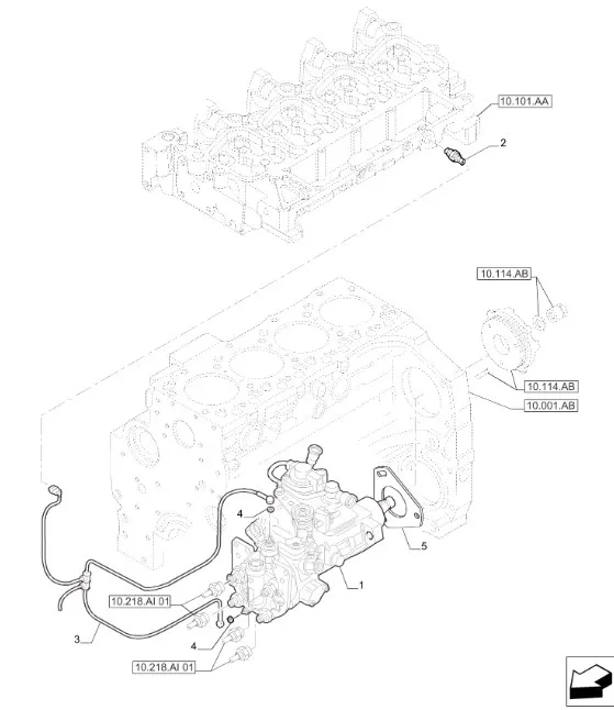
2855146 - шестерня
24 195 ₽
2855169 - Посадочное место
64 835 ₽
2855213 - трубка
8 134 ₽
2855295 - штифт
4 006 ₽
2855392 - Насос топл. выс. давл. в сборе ДВС Cursor7Mech T6050/Maxxum125
356 299 ₽
2855392C
1 099 ₽
2855392R - насос
423 502 ₽
2855396 - насос
485 036 ₽
2855396C
947 ₽
2855396R
468 809 ₽
«
<
1
...
34115
34116
34117
>
»
Страница:
Перейти